|
|
|
|
|
|
|
| USER MANUALS, PICTURES & TECH SHEETS |
|
|
|
|
|
|
| LCU2 TECHNICAL SPECIFICATIONS |
|
 |
|
 |
|
 |
|
| Sensor compatibility |
Bosch LSU 4.9 |
| Power supply voltage |
9÷15 V
|
| Power supply current |
50 mA + sensor heater typical current 750 mA
up to 2 A on cold sensor for each sensor connected |
| Lambda value |
From 0.75 |
| Reaction time |
Less than 10 msec |
| Material |
Latigloss 57 (PPA Glass Fiber Reinforced) |
| Dimensions |
65.0 x 34.8 x 18.4 mm |
| Weight |
70 g |
| Waterproof |
IP67 |
|
|
 |
|
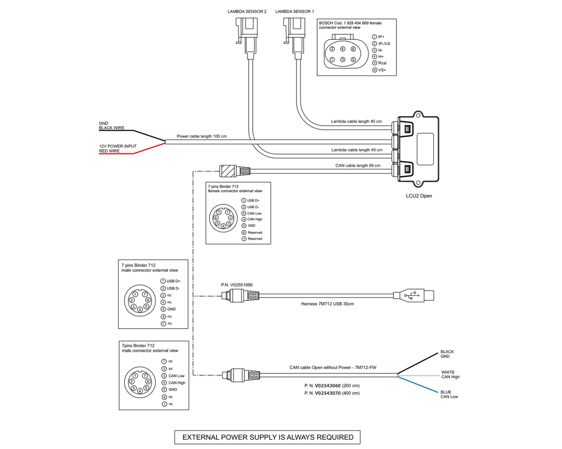
| LCU2 OPEN TECHNICAL SPECIFICATIONS |
|
 |
|
 |
|
 |
|
| Sensor compatibility |
Bosch LSU 4.9 |
| Power supply voltage |
9÷15 V
|
| Power supply current |
50 mA + sensor heater typical current 750 mA
up to 2 A on cold sensor for each sensor connected |
| Lambda value |
From 0.75 |
| Reaction time |
Less than 10 msec |
| Material |
Latigloss 57 (PPA Glass Fiber Reinforced) |
| Dimensions |
65.0 x 34.8 x 18.4 mm |
| Weight |
70 g |
| Waterproof |
IP67 |
|
|
 |
|
|
|
|
|